欢迎来到深圳市PA视讯科技有限公司官方网站!
服务热线:0755-82705922-811欢迎来电咨询,我们将竭诚为您服务!中文 | ENGLISH
首页动态常见问题
常见问题
最新产品发布: 光MOS继电器:1500v,3750Vrms,6pin; 逻辑10Mbp高隔离光耦:7500Vmrs,10Mbps,Lsop8
如何在隔离式 CAN 系统中隔离信号和电源
2021-11-17 来源: 深圳市PA视讯科技有限公司
随着信号隔离在许多工业和汽车应用,需要对于隔离电源也有所增加。 好处如果任何一个上的电源都失去了隔离隔离屏障的一侧被简单地短路。 在同时,如果隔离的电力子系统是设计不仔细,影响整个系统电源不良导致温升等性能传输效率、排放导致的数据损坏、等等。 简化隔离的设计过程CAN 子系统,本文档提供了各种用于隔离 CAN 的选项(分立式和集成式)信号和电源。
隔离电源的离散实现:
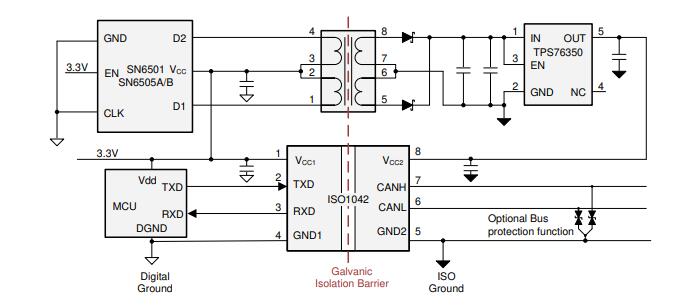
图 1 显示了离散隔离的示例用于隔离 CAN 的信号和电源解决方案子系统。 实现了隔离的 CAN 功能使用数字隔离器 ISO7721,它提供了一个每个方向的信道用于传输 (TXD) 和接收(RXD)信号,TCAN1042H,故障具有灵活数据速率的受保护 CAN 收发器。
SN6501 器件是推挽变压器可以结合使用的驱动程序外部变压器、整流二极管和 LDO产生隔离电源。 根据需要的调节,LDO 可以是可选的。 为了变压器驱动器电流高达 350 mA变压器的初级侧,SN6501 将足够了。 如果驱动电流需要更大,则具有 1A 驱动电流的 SN6505A 或 SN6505B 可能是更适合。
通过将图1中的离散隔离器和CAN替换为隔离CAN设备,可以简化信号链,如图2所示。隔离电源解决方案与之前的离散实现相同。此设计中的隔离CAN ISO1042设备将设备数量减少了一个,提高了循环时间,并提供了高级别的保护。此解决方案具有以前离散解决方案的所有优点,但没有其他缺点。
如果有多个隔离的 CAN 设备在系统由同一隔离电源供电供应,这种架构使信号链可以使用 LDO 输出的紧凑部分为所有隔离的 CAN 设备供电。 TIDA-01255是分立器件的详细参考设计实施,适用于汽车和工业CAN系统。
•此解决方案的优点:
1.由于使用外部变压器,功率传输效率更高(~70-80%)。
2.通过降低变压器驱动器的开关频率,可将排放降至最低。
3.使用任何CAN收发器或数字隔离器或单芯片隔离CAN的灵活性。
4.隔离电源能够为多个隔离CAN收发器提供电流。
•此解决方案的缺点:
1.由于分立元件,电路板空间更大。
2.变压器体积大,需要更高的高度,这限制了电路板的更紧密堆叠。
3.每个隔离组件都需要单独认证。
带集成隔离电源的隔离CAN:
隔离CAN和电源的相同功能可通过ISOW1044实现:一个将所有隔离功能和CAN FD收发器集成到单个20-SOIC封装中的单个设备,如图3所示。ISOW1044芯片内部变压器的集成不仅在X和Y尺寸上节省了空间,而且在Z(高度)尺寸上也节省了空间。此外,ISOW1044包含一个单独的10 Mbps GPIO通道,有助于从电路板上进一步移除其他数字隔离器或光耦。
•此解决方案的优点:
1.紧凑型解决方案,包括较低的解决方案高度。
2.由于只有一个隔离组件,因此易于认证和设计。
3.减少寻找适当额定值变压器的负担。
4.低发射设计确保最终系统能够满足CISPR 32辐射发射B级限值线,两层PCB上只有两个铁氧体磁珠。
•此解决方案的缺点:
1.由于采用了片上变压器,功率传输效率限制在47%。
2.由于变压器是集成的,由于开关频率较高,因此其发射通常高于离散实施。
3.最适合单个CAN接口主要需要隔离电源的系统,因为该设备仅为内部CAN收发器产生隔离电源,输出电流高达20 mA。
特例
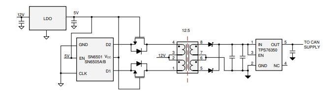
在离散或集成隔离电源实现中,可能存在3.3 V或5 V不容易为一次侧通电的情况。例如,PLC应用可能有24伏电源,而汽车应用可能有12伏电池。在这些情况下,可以在变压器驱动器SN650x之前添加合适的LDO,如图4所示,以将电压降到变压器驱动器所需的5-V电平。变压器由高压电源驱动,选择匝数比在二次侧提供5V,为隔离CAN供电。由于变压器中心抽头连接的电压高于SN650x额定值,因此使用高压FET保护变压器驱动器的输出D1、D2。必须注意调整FET的尺寸,以使RDS(开启)尽可能低,以减少效率损失。
结论
选择正确的部件来设计独立的CAN系统至关重要。离散或集成解决方案的选择取决于尺寸、设计的简易性与效率、排放之间的权衡。隔离电源的离散实施提供了更高的功率传输效率、更低的排放,而隔离电源的集成解决方案为空间关键应用提供了紧凑的解决方案。

PA视讯
网站地图